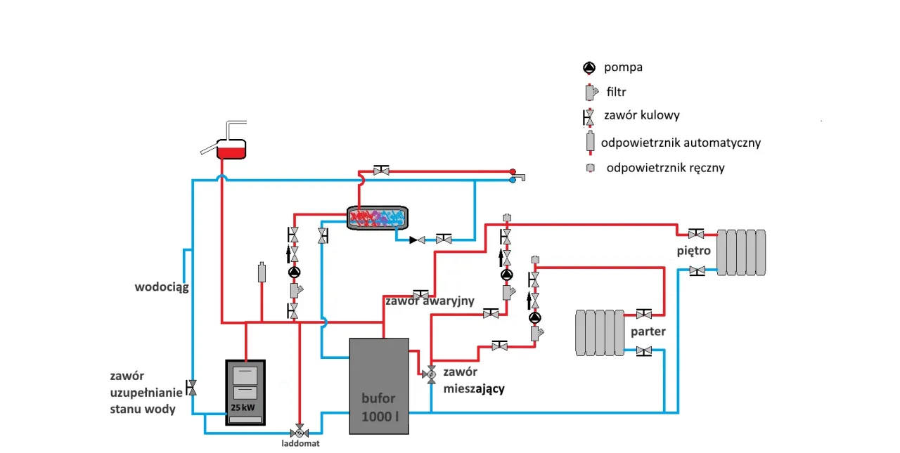
Podłączenie bufora ciepła do kotła węglowego to kluczowy element modernizacji instalacji grzewczej, pozwalający na znaczące podniesienie jej efektywności i komfortu obsługi. Główną korzyścią jest możliwość pracy kotła z pełną mocą, co zapewnia czyste i ekonomiczne spalanie węgla. Nadwyżka wyprodukowanej energii jest magazynowana w buforze, a następnie dystrybuowana do instalacji grzewczej zgodnie z zapotrzebowaniem, nawet przez całą dobę. Instalacja z buforem składa się z dwóch głównych obiegów: ładowania bufora (kocioł ↔ bufor) i rozładowania bufora (bufor ↔ instalacja CO/CWU). Niezbędne elementy to m.in. pompy, zawory (szczególnie ochrony powrotu kotła), naczynie przeponowe, grupa bezpieczeństwa i sterownik. Kluczowe jest zabezpieczenie powrotu kotła przed niską temperaturą (poniżej 55°C) za pomocą zaworu trójdrożnego lub czterodrożnego. Prawidłowe działanie bufora opiera się na stratyfikacji wody gorąca woda gromadzi się na górze, a chłodniejsza na dole.
Kluczowe aspekty podłączenia bufora do kotła węglowego
- Bufor pozwala kotłowi węglowemu pracować z pełną mocą, co zapewnia czyste i ekonomiczne spalanie.
- Instalacja składa się z dwóch głównych obiegów: ładowania bufora (kocioł ↔ bufor) i rozładowania bufora (bufor ↔ instalacja CO/CWU).
- Niezbędne elementy to m.in. pompy, zawory (szczególnie ochrony powrotu kotła), naczynie przeponowe, grupa bezpieczeństwa i sterownik.
- Kluczowe jest zabezpieczenie powrotu kotła przed niską temperaturą (poniżej 55°C) za pomocą zaworu trójdrożnego lub czterodrożnego.
- Prawidłowe działanie bufora opiera się na stratyfikacji wody: gorąca woda gromadzi się na górze, a chłodniejsza na dole.

Dlaczego połączenie pieca węglowego z buforem to najlepsza decyzja dla Twojej kotłowni
Decyzja o podłączeniu zbiornika buforowego do kotła węglowego to jeden z najlepszych kroków, jakie możesz podjąć dla swojej instalacji grzewczej. Dlaczego? Przede wszystkim pozwala to kotłowi pracować w optymalnych warunkach z pełną mocą. Kiedy kocioł pracuje na pełnych obrotach, proces spalania jest znacznie czystszy i bardziej efektywny, co przekłada się bezpośrednio na mniejsze zużycie paliwa i niższe rachunki. "Duszenie" kotła, czyli jego praca na niskiej mocy, prowadzi do niepełnego spalania, zwiększonej emisji szkodliwych substancji i osadzania się smoły w komorze spalania i przewodach kominowych. Bufor ciepła działa jak akumulator energii. Gdy kocioł produkuje więcej ciepła, niż jest aktualnie potrzebne, nadwyżka ta jest magazynowana w zbiorniku. Kiedy zapotrzebowanie na ciepło wzrasta, bufor oddaje zgromadzoną energię, zapewniając stabilną temperaturę w całym domu. To oznacza rzadsze wizyty w kotłowni i większy komfort cieplny dla domowników. Dodatkowo, praca kotła w optymalnych warunkach, z wysoką temperaturą spalin, znacząco redukuje ryzyko korozji niskotemperaturowej oraz powstawania niepożądanych osadów, co wydłuża żywotność samego kotła.

Zanim zaczniesz montaż: Kompletna lista zakupów i kluczowe przygotowania
Zanim przystąpisz do prac montażowych, kluczowe jest skompletowanie wszystkich niezbędnych elementów i odpowiednie przygotowanie kotłowni. Oto lista komponentów, które będą Ci potrzebne:
- Pompa ładująca bufor odpowiedzialna za przepompowywanie gorącej wody z kotła do zbiornika buforowego.
- Pompa obiegu grzewczego zapewnia cyrkulację wody z bufora do instalacji grzewczej (grzejniki, ogrzewanie podłogowe).
- Zawór chroniący powrót kotła zazwyczaj termostatyczny zawór trójdrożny lub czterodrożny, który utrzymuje temperaturę powracającej do kotła wody powyżej 55°C, chroniąc go przed korozją.
- Zawór mieszający dla obiegu grzewczego reguluje temperaturę wody zasilającej instalację CO, zapobiegając przegrzewaniu pomieszczeń.
- Zawory zwrotne zapobiegają niepożądanemu przepływowi zwrotnemu wody w instalacji.
- Naczynie przeponowe kompensuje zmiany objętości wody w układzie spowodowane jej rozszerzalnością cieplną.
- Grupa bezpieczeństwa składa się z zaworu bezpieczeństwa, manometru i odpowietrznika, chroniąc instalację przed nadmiernym ciśnieniem.
- Sterownik zarządza pracą pomp i zaworów, optymalizując proces ładowania i rozładowania bufora w zależności od potrzeb.
Dobór odpowiedniej pojemności zbiornika buforowego jest równie ważny. Ogólna zasada mówi, że na każdy 1 kW mocy kotła powinno przypadać od 20 do 30 litrów pojemności bufora. Przykładowo, dla kotła o mocy 25 kW, optymalny bufor powinien mieć pojemność od 500 do 750 litrów. Zanim zaczniesz, upewnij się, że kotłownia dysponuje wystarczającą ilością miejsca na montaż zbiornika i pozostałych komponentów. Sprawdź również, czy podłoże jest stabilne i wytrzymałe, aby utrzymać ciężar wypełnionego wodą bufora.
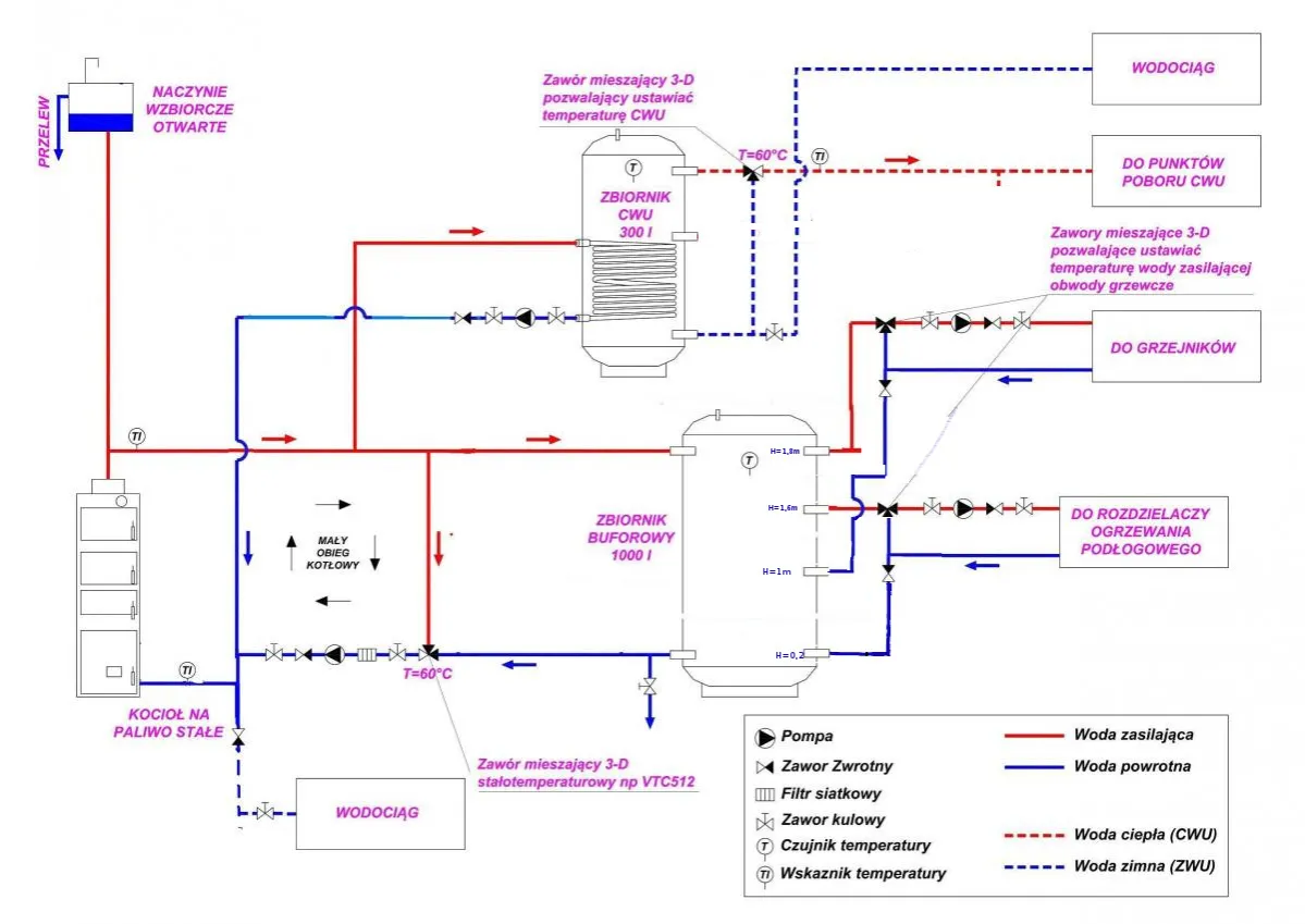
Serce układu: Dwa sprawdzone schematy podłączenia bufora, które naprawdę działają
Instalacja z buforem ciepła opiera się na dwóch kluczowych obiegach, które współpracują ze sobą, zapewniając efektywne ogrzewanie. Pierwszy to obieg ładowania bufora, którego zadaniem jest jak najszybsze i najefektywniejsze nagrzanie wody w zbiorniku. W tym obiegu kluczową rolę odgrywa zabezpieczenie powrotu kotła przed zbyt niską temperaturą. Aby zapobiec korozji niskotemperaturowej i osadzaniu się smoły w kotle, temperatura wody wracającej do kotła nie powinna spadać poniżej 55°C. Realizuje się to najczęściej za pomocą termostatycznego zaworu trójdrożnego lub czterodrożnego, który miesza gorącą wodę z kotła z chłodniejszą wodą powracającą z bufora, utrzymując wymaganą minimalną temperaturę na powrocie do kotła.
Drugi kluczowy obieg to obieg rozładowania bufora. Odpowiada on za pobieranie zgromadzonego w buforze ciepła i dostarczanie go do instalacji grzewczej grzejników lub ogrzewania podłogowego. W tym obiegu zazwyczaj stosuje się osobną pompę oraz zawór mieszający (trój- lub czterodrożny). Zawór ten precyzyjnie reguluje temperaturę wody zasilającej instalację grzewczą, dostosowując ją do aktualnych potrzeb i zapewniając komfort cieplny w pomieszczeniach. Prawidłowe działanie bufora opiera się na zjawisku stratyfikacji, czyli naturalnego układu warstwowego wody. Gorąca, lżejsza woda gromadzi się na górze zbiornika, podczas gdy chłodniejsza, gęstsza woda opada na dół. Dlatego niezwykle ważne jest prawidłowe podłączenie króćców: zasilanie z kotła powinno być skierowane do górnego króćca bufora, co ułatwia gromadzenie się gorącej wody na górze. Z kolei powrót do kotła powinien być podłączony do dolnego króćca, aby pobierać chłodniejszą wodę.
Schemat z zaworem trójdrożnym jest prostszy i tańszy, ale może być mniej precyzyjny w regulacji temperatury. Zawór czterodrożny zapewnia lepszą kontrolę nad temperaturą powrotu do kotła i może być bardziej efektywny w utrzymaniu optymalnych warunków pracy.

Jak prawidłowo połączyć obieg grzewczy z buforem
Połączenie obiegu grzewczego z buforem ciepła jest kluczowe dla efektywnego dystrybuowania zgromadzonej energii. Ciepło z bufora jest pobierane z jego górnej części, gdzie znajduje się najgorętsza woda, i kierowane do instalacji grzewczej. W przypadku tradycyjnych grzejników, ciepło to jest zazwyczaj dostarczane za pomocą zaworu mieszającego. Ten zawór, sterowany automatycznie lub ręcznie, miesza gorącą wodę z bufora z chłodniejszą wodą powracającą z instalacji grzewczej, aby uzyskać optymalną temperaturę zasilania dla grzejników. Zapobiega to przegrzewaniu pomieszczeń i zapewnia stabilny komfort cieplny.
Instalacje ogrzewania podłogowego mają specyficzne wymagania, ponieważ zazwyczaj pracują z niższymi temperaturami zasilania niż grzejniki. W takim przypadku zawór mieszający jest niezbędny do obniżenia temperatury wody pobieranej z bufora do poziomu odpowiedniego dla ogrzewania podłogowego, co chroni podłogę i zapewnia komfortowe ogrzewanie.
Bufor ciepła może również służyć do przygotowania ciepłej wody użytkowej (CWU). Można to zrealizować na kilka sposobów. Jednym z nich jest zastosowanie wężownicy wewnątrz zbiornika buforowego, przez którą przepływa zimna woda, ogrzewając się od zgromadzonego w buforze ciepła. Alternatywnie, można podłączyć dodatkowy zasobnik CWU, który będzie ładowany ciepłą wodą z bufora.

Sterowanie całością: Jak zaprogramować system, by działał automatycznie
Zaawansowane sterowanie pracą instalacji z buforem ciepła jest kluczowe dla jej efektywności i komfortu użytkowania. Rolę dyrygenta pełni tutaj sterownik, który zarządza pracą pomp i zaworów w oparciu o odczyty z czujników temperatury. Prawidłowe umiejscowienie czujników temperatury w buforze jest fundamentalne dla jego optymalnego działania. Zazwyczaj stosuje się co najmniej trzy czujniki: jeden na górze bufora (gdzie gromadzi się najgorętsza woda), drugi w środkowej części (monitorujący temperaturę warstwy pośredniej) i trzeci na dole (mierzący temperaturę chłodniejszej wody). Dzięki temu sterownik wie, ile ciepła jest dostępne w różnych strefach zbiornika.
Sterownik na podstawie tych odczytów decyduje, kiedy uruchomić pompę ładującą bufor (gdy kocioł osiągnie odpowiednią temperaturę i jest więcej ciepła niż potrzeba) oraz kiedy uruchomić pompę obiegu grzewczego (gdy temperatura na górze bufora jest wystarczająca do ogrzania domu). Kluczowym parametrem w ustawieniach sterownika jest histereza. Jest to różnica temperatur, która musi zostać osiągnięta, aby sterownik zmienił stan pracy urządzenia (np. włączył lub wyłączył pompę). Odpowiednie ustawienie histerezy (np. kilka stopni Celsjusza) zapobiega zbyt częstemu włączaniu i wyłączaniu pomp, co nie tylko oszczędza energię, ale także wydłuża żywotność urządzeń i zapewnia bardziej stabilne ogrzewanie.
Tych błędów unikaj jak ognia! Najczęstsze pomyłki przy montażu bufora
Podczas instalacji zbiornika buforowego do kotła węglowego można popełnić kilka błędów, które znacząco obniżą efektywność systemu, a nawet mogą prowadzić do uszkodzenia kotła. Należy ich unikać jak ognia:
- Brak lub nieprawidłowy montaż zaworu ochrony powrotu: To najpoważniejszy błąd. Brak zabezpieczenia powrotu kotła przed niską temperaturą (poniżej 55°C) prowadzi do intensywnej korozji i osadzania się smoły, skracając żywotność kotła.
- Nieprawidłowe podłączenie króćców bufora: Podłączenie zasilania z kotła do dolnego króćca lub powrotu z instalacji do górnego zaburza proces stratyfikacji wody. Gorąca woda nie gromadzi się na górze, a system działa nieefektywnie.
- Zbyt małe średnice rur i niewydajne pompy: Zastosowanie zbyt wąskich rur lub pomp o zbyt małej wydajności ogranicza przepływ wody, co spowalnia ładowanie i rozładowywanie bufora, a także może prowadzić do przegrzewania kotła.
- Problemy z odpowietrzeniem układu: Zapowietrzony układ grzewczy uniemożliwia prawidłową cyrkulację wody. Należy zadbać o odpowiednie odpowietrzniki i regularne usuwanie powietrza z systemu.
Pierwsze uruchomienie i regulacja: Finalny test Twojej nowej instalacji
Po zakończeniu montażu kluczowe jest prawidłowe pierwsze uruchomienie i regulacja systemu. Rozpocznij od dokładnego napełnienia instalacji wodą. Upewnij się, że wszystkie zawory są otwarte, a następnie powoli napełniaj układ, jednocześnie kontrolując szczelność wszystkich połączeń. Obserwuj, czy nie pojawiają się żadne wycieki. Po napełnieniu i sprawdzeniu szczelności można przystąpić do pierwszego rozpalenia w kotle. Obserwuj, jak kocioł nagrzewa wodę i jak ciepło jest transportowane do bufora. Upewnij się, że pompa ładująca działa poprawnie i że temperatura na górze bufora rośnie zgodnie z oczekiwaniami.
Następnie należy wyregulować obieg grzewczy. Jeśli posiadasz sterownik, ustaw odpowiednie parametry pracy pomp i zaworów zgodnie z zaleceniami producenta i własnymi potrzebami. Sprawdź, czy temperatura w pomieszczeniach jest komfortowa. W razie potrzeby dokonaj drobnych korekt w ustawieniach zaworu mieszającego lub parametrach sterownika, aby osiągnąć optymalną temperaturę w domu. Regularnie monitoruj pracę systemu przez kilka pierwszych dni, zwracając uwagę na wszelkie nieprawidłowości i reagując na nie.
