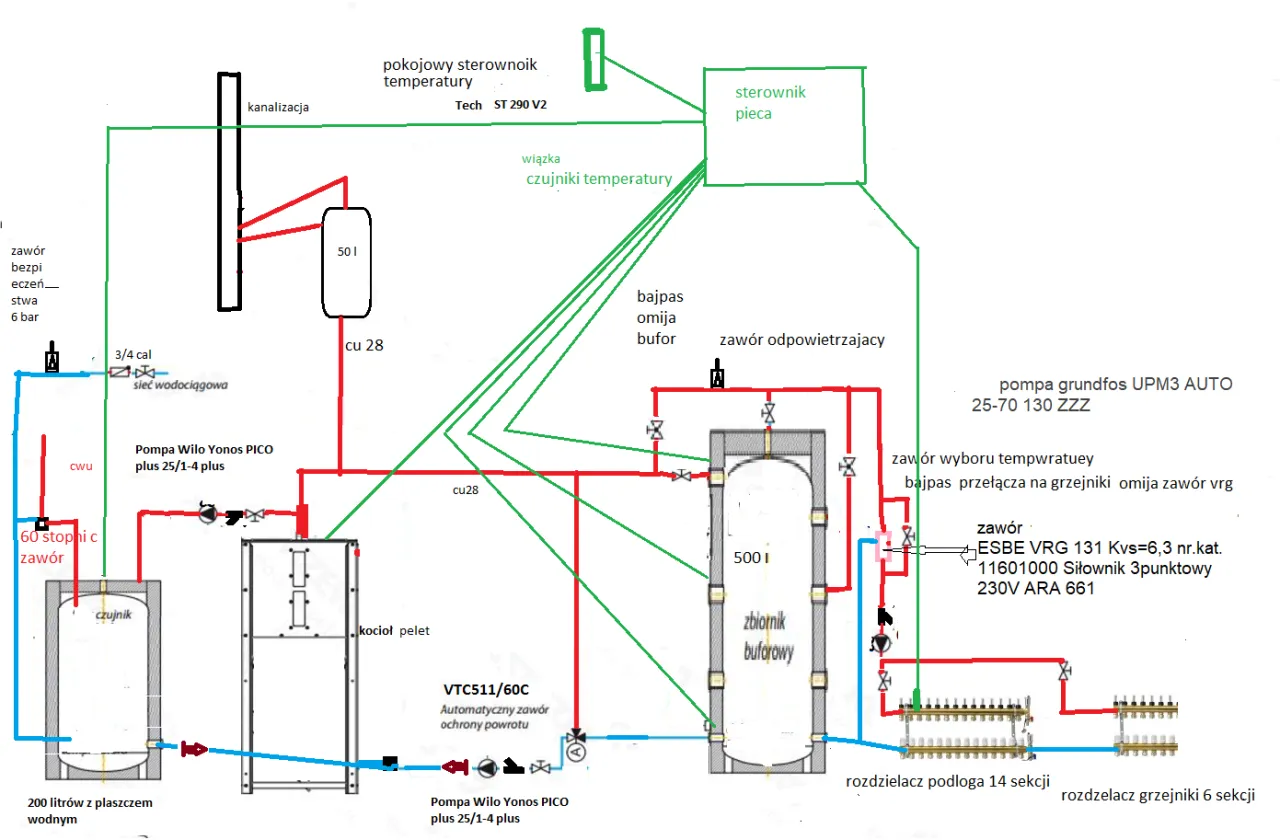
Podłączenie bufora do pieca na pellet to kluczowy krok, który zapewnia efektywne działanie systemu grzewczego. Aby osiągnąć najlepsze rezultaty, ważne jest, aby przestrzegać szczegółowego procesu instalacji. Właściwe połączenie bufora nie tylko zwiększa wydajność pieca, ale także zmniejsza ryzyko wystąpienia problemów, które mogą prowadzić do kosztownych napraw. W tym artykule przedstawimy, jak prawidłowo podłączyć bufor, jakie materiały i narzędzia będą potrzebne oraz jak uniknąć najczęstszych błędów.
Wiedza na temat właściwego podłączenia bufora jest niezbędna dla każdego, kto chce cieszyć się komfortem ciepła w swoim domu. Przygotowaliśmy szczegółowy przewodnik, który pomoże Ci w każdym kroku tej instalacji. Dzięki temu artykułowi dowiesz się, na co zwrócić szczególną uwagę oraz jak zadbać o bezpieczeństwo podczas całego procesu.
Kluczowe wnioski:- Dokładne przygotowanie i zgromadzenie niezbędnych narzędzi oraz materiałów jest kluczowe dla sukcesu instalacji.
- Właściwy wybór lokalizacji bufora ma ogromne znaczenie dla jego wydajności i funkcjonalności.
- Uszczelnienie połączeń jest niezbędne, aby uniknąć problemów z wydajnością systemu grzewczego.
- Bezpieczeństwo podczas instalacji powinno być priorytetem – stosowanie odpowiednich zasad ochrony jest niezbędne.
- Regularne monitorowanie i konserwacja systemu grzewczego pozwala na długotrwałe i efektywne działanie.
Jak prawidłowo podłączyć bufor do pieca na pellet, aby zapewnić efektywność
Podłączenie bufora do pieca na pellet jest kluczowym elementem, który wpływa na efektywność całego systemu grzewczego. Właściwe połączenie bufora pozwala na lepsze zarządzanie ciepłem, co z kolei prowadzi do oszczędności energii oraz zwiększenia komfortu w pomieszczeniach. Aby osiągnąć optymalne wyniki, niezbędne jest przestrzeganie kroków instalacyjnych oraz uwzględnienie kilku istotnych czynników.
Ważne jest, aby przed przystąpieniem do instalacji zgromadzić wszystkie potrzebne materiały i narzędzia. Brak odpowiednich komponentów może prowadzić do problemów w czasie montażu oraz obniżenia efektywności działania pieca. Prawidłowe podłączenie bufora nie tylko poprawia wydajność, ale także zmniejsza ryzyko wystąpienia awarii, które mogą wiązać się z dodatkowymi kosztami.
Wybór odpowiednich materiałów i narzędzi do instalacji bufora
Aby skutecznie podłączyć bufor do pieca na pellet, należy wybrać odpowiednie materiały i narzędzia. Kluczowe elementy to rury hydrauliczne, pierścienie uszczelniające, taśma Teflonowa oraz złączki. Rury hydrauliczne powinny być wykonane z materiałów odpornych na wysokie temperatury, takich jak miedź lub stal nierdzewna. Złączki muszą być kompatybilne z wybranymi rurami, aby zapewnić szczelność i trwałość połączeń.
| Typ materiału | Specyfikacja | Rekomendowane marki |
| Rury hydrauliczne | Stal nierdzewna, średnica 28 mm | Wavin, Geberit |
| Pierścienie uszczelniające | Guma EPDM, grubość 2 mm | Festo, Parker |
| Taśma Teflonowa | Rolki 12 mm x 0,1 mm | Rothenberger, Dura |
Krok po kroku: Instalacja bufora do pieca na pellet
Instalacja bufora do pieca na pellet wymaga staranności i precyzji. Pierwszym krokiem jest określenie miejsca, w którym bufor będzie zamontowany. Upewnij się, że wybrane miejsce jest dobrze wentylowane i ma łatwy dostęp do pieca. Następnie przystąp do przygotowania rur, które będą używane do połączenia bufora z piecem. Rury powinny być odpowiedniej długości i średnicy, aby zapewnić odpowiedni przepływ ciepła.
Kolejnym krokiem jest podłączenie rur do bufora oraz pieca. Użyj odpowiednich złączek, aby zapewnić szczelność połączeń. Pamiętaj, aby zastosować taśmę Teflonową na gwintach złączek, co pomoże uniknąć wycieków. Po podłączeniu rur, sprawdź, czy wszystkie połączenia są dobrze zamocowane i czy nie ma żadnych luzów.
Ostatnim krokiem jest testowanie systemu. Po zakończeniu instalacji uruchom piec i sprawdź, czy bufor działa prawidłowo. Obserwuj, czy temperatura w buforze rośnie zgodnie z oczekiwaniami, a także zwróć uwagę na ewentualne wycieki. W przypadku jakichkolwiek problemów, należy natychmiast sprawdzić połączenia i upewnić się, że wszystko zostało zainstalowane zgodnie z instrukcjami.
Błędy w doborze lokalizacji dla bufora i ich konsekwencje
Wybór odpowiedniej lokalizacji dla bufora jest kluczowy dla jego efektywności. Nieodpowiednie umiejscowienie może prowadzić do problemów z cyrkulacją ciepła oraz obniżeniem wydajności systemu grzewczego. Warto unikać miejsc, które są narażone na ekstremalne temperatury, wilgoć lub zanieczyszczenia, ponieważ mogą one wpływać na długoterminową trwałość bufora. Dobrze jest także zapewnić łatwy dostęp do bufora, co ułatwi przyszłe prace konserwacyjne.Problemy z uszczelnieniem i ich wpływ na wydajność systemu
Uszczelnienie połączeń jest niezwykle istotne dla prawidłowego funkcjonowania systemu grzewczego. Nieprawidłowe uszczelnienie może prowadzić do wycieków, co z kolei obniża efektywność bufora i całego pieca na pellet. Warto stosować wysokiej jakości materiały uszczelniające, takie jak pierścienie uszczelniające z gumy EPDM czy taśmę Teflonową, aby zapewnić szczelność połączeń. Regularne kontrole uszczelnień są kluczowe, aby uniknąć poważniejszych problemów związanych z wydajnością systemu.

Bezpieczeństwo podczas instalacji bufora do pieca na pellet
Podczas instalacji bufora do pieca na pellet, bezpieczeństwo powinno być priorytetem. Ważne jest, aby stosować odpowiednie środki ochrony osobistej, takie jak rękawice, gogle ochronne oraz maski, które zabezpieczą przed pyłem i innymi zanieczyszczeniami. Zanim przystąpisz do pracy, upewnij się, że miejsce instalacji jest dobrze wentylowane i wolne od zbędnych przedmiotów, które mogą stwarzać zagrożenie. Dobrze jest także zapoznać się z instrukcją obsługi zarówno pieca, jak i bufora, aby zrozumieć wszystkie aspekty instalacji.
Podczas instalacji zwróć szczególną uwagę na potencjalne zagrożenia, takie jak kontakt z gorącymi powierzchniami czy ostrymi narzędziami. Upewnij się, że wszystkie narzędzia są w dobrym stanie, a ich użycie jest zgodne z przeznaczeniem. W przypadku jakichkolwiek wątpliwości dotyczących instalacji, warto skonsultować się z fachowcem, który pomoże uniknąć niebezpieczeństw związanych z niewłaściwym montażem.
Kluczowe zasady bezpieczeństwa, które należy przestrzegać
Podczas instalacji bufora do pieca na pellet, istnieje kilka kluczowych zasad bezpieczeństwa, które należy przestrzegać. Po pierwsze, zawsze wyłączaj zasilanie pieca przed przystąpieniem do jakichkolwiek prac montażowych. Po drugie, unikaj pracy w wilgotnych warunkach, które mogą zwiększać ryzyko porażenia prądem. Po trzecie, stosuj odpowiednie narzędzia i materiały, które są zgodne z normami bezpieczeństwa. Regularnie przeglądaj swoje miejsce pracy, aby upewnić się, że jest wolne od przeszkód i potencjalnych zagrożeń.
Jak unikać zagrożeń związanych z instalacją bufora
Aby zminimalizować ryzyko wypadków podczas instalacji bufora do pieca na pellet, warto zastosować kilka sprawdzonych strategii. Przede wszystkim, zawsze należy pracować w dobrze oświetlonym i czystym miejscu, aby uniknąć potknięć i innych niebezpieczeństw. Ważne jest także, aby mieć pod ręką wszystkie niezbędne narzędzia i materiały, co pozwoli ograniczyć czas spędzony na ich szukaniu. Warto również stosować odpowiednie techniki podnoszenia ciężkich elementów, aby zapobiec kontuzjom.Regularne przeglądy sprzętu oraz narzędzi są kluczowe dla zapewnienia bezpieczeństwa. Upewnij się, że narzędzia są w dobrym stanie i odpowiednie do wykonywanej pracy. Ponadto, zawsze warto mieć przy sobie apteczkę pierwszej pomocy, aby szybko zareagować na ewentualne urazy. W przypadku wątpliwości lub problemów, nie wahaj się skonsultować z profesjonalistą, który pomoże uniknąć zagrożeń związanych z instalacją.
Jak efektywnie monitorować i optymalizować system grzewczy
Po zainstalowaniu bufora do pieca na pellet, ważne jest, aby regularnie monitorować jego działanie oraz dostosowywać ustawienia systemu w celu maksymalizacji efektywności. Warto zainwestować w nowoczesne narzędzia do monitorowania, które mogą dostarczać danych na temat temperatury, ciśnienia oraz wydajności systemu grzewczego. Dzięki temu można szybko reagować na wszelkie nieprawidłowości, co pozwoli na uniknięcie większych problemów w przyszłości.
Dodatkowo, rozważ zastosowanie inteligentnych systemów zarządzania energią, które automatycznie dostosowują parametry pracy pieca i bufora w zależności od aktualnych potrzeb grzewczych. Takie rozwiązania mogą znacząco obniżyć koszty eksploatacji i zwiększyć komfort użytkowania, a także przyczynić się do zmniejszenia wpływu na środowisko poprzez efektywniejsze wykorzystanie energii. Wprowadzenie takich innowacji w systemie grzewczym to krok w stronę nowoczesnych i zrównoważonych rozwiązań w domach.




